1. Identify ‘p’, ‘q’ and ‘r’ in the following balanced reaction

    p Pb (NO₃)₂(s) ---- > q PbO(s) + r NO₂(g) + O₂(g)

    1. 2,2,4
    2. 2,4,2
    3. 2,4,4
    4. 4,2,2
    View Answer
    Correct Answer is (A).

  2. Match column I with column II and select the correct option using the given codes:
    Column AColumn B
    A metal that forms amphoteric oxidesGa
    A metal which melts when kept on our palmAu
    A metal that reacts with nitric acidAl
    A metal which cannot displace hydrogen from acidsMn
    1. a – (ii), b – (i), c – (iii), d – (iv)
    2. a – (iii), b – (i), c – (iv), d – (ii)
    3. a – (iv), b – (ii), c – (iii), d – (i)
    4. a – (iii), b – (ii), c – (i), d – (iv)
    View Answer
    Correct Answer is Option B.

    Explanation:

    • a. Aluminium oxides are amphoteric in nature as they react with both acid and base.
    • b. The melting point of gallium is very low, so it melts when kept on the palm.
    • c. Only manganese and magnesium react with nitric acid.
    • d. Since gold comes lower in position than hydrogen in the electro-reactivity series, it cannot displace hydrogen from acids.


  3. imgThe solution in the given figure is likely to be:
    1. HNO3
    2. C2H5OH
    3. H2SO4
    4. CO2 in water
    View Answer
    Correct Answer is Option B.

    Explanation:

    • Both HNO3 and H2SO4 are strong electrolytes and can dissociate into respective (+ve) and (-ve) ions.
    • When CO2 is dissolved in water, it becomes carbonic acid (H2CO3), which is a weak electrolyte and dissociates into respective ions.
    • Ethanol (C2H5OH) is not an electrolyte and does not dissociate into ions.


  4. An aqueous solution ‘A’ turns the phenolphthalein solution pink. On addition of an aqueous solution ‘B’ to ‘A’, the pink color disappears. Which of the following statements is true for the solutions ‘A’ and ‘B’?
    1. A is strongly basic and B is a weak base.
    2. A is strongly acidic and B is a weak acid.
    3. A has a pH greater than 7 and B has a pH less than 7.
    4. A has a pH less than 7 and B has a pH greater than 7.
    View Answer
    Correct Answer is Option C.

    Explanation:

    • On exposure to Basic solution (A) phenolphthalein turns pink and when phenolphthalein gets exposed to acidic solution (B) it turns colorless.


  5. When 50g of lead powder is added to 300 ml of blue copper sulphate solution, after a few hours, the solution becomes colourless. This is an example of:
    1. Combination reaction
    2. Decomposition reaction
    3. Displacement reaction
    4. Double displacement reaction
    View Answer
    Correct Answer is Option C.

    Explanation:

    • Lead will displace copper from its sulphate solution, forming lead sulphate (PbSO4) and copper (Cu).
    • The reaction is as follows:
      Pb + CuSO4 → PbSO4 + Cu


  6. The electronic configuration of three elements X, Y, and Z are
    X-2, 8, 7; Y-2, 8, 2; and Z-2, 8
    1. Y and Z are metals
    2. Y and X are non-metals
    3. X is a non-metal and Y is a metal
    4. Y is a non-metal and Z is a metal
    View Answer
    Correct Answer is Option C.

    Explanation:

    • Based on the electronic configuration:
      • X = Non-metal (halogen group, 7 valence electrons).
      • Y = Metal (alkaline earth metal, 2 valence electrons).
      • Z = Noble gas (full valence shell, stable configuration).


  7. Which of the following is an endothermic reaction?
    1. Burning of candle
    2. Cooking of food
    3. Decomposition of vegetable matter
    4. Reaction of sodium with air
    View Answer
    Correct Answer is Option B.

    Explanation:

    • Food gets cooked after absorption of heat.


  8. During cellular oxidation of Glucose, ATP is produced along with the formation of other products in this reaction. Which of the following events is associated with the production of maximum ATP molecules per molecule of Glucose during this process? Synthesis of
    1. ethanol in yeast
    2. Lactic acid in muscle cells
    3. Carbon dioxide in yeast cells
    4. Carbon dioxide in human cells
    View Answer
    Correct Answer is Option D: Carbon dioxide in human cells.

    Explanation:

    • During the cellular oxidation of glucose, ATP is produced through different pathways depending on the presence of oxygen.
    • The maximum ATP production per molecule of glucose occurs during aerobic respiration, where glucose is completely oxidized to carbon dioxide and water, producing up to 36-38 ATP molecules.
    • In anaerobic conditions, such as fermentation, the ATP yield is much lower. For example:
      • Ethanol production in yeast yields only 2 ATP molecules per glucose molecule.
      • Lactic acid production in muscle cells also yields only 2 ATP molecules per glucose molecule.


  9. During which of the following stages of the circulation of blood in a normal human being, the oxygenated blood is pumped to all parts of the body?
    1. Contraction of the left atrium
    2. Contraction of the left ventricle
    3. Relaxation of the right atrium
    4. Relaxation of the right ventricle
    View Answer
    Correct Answer is Option B: Contraction of the left ventricle.

    Explanation:

    • In the circulatory system of a normal human being, the oxygenated blood is pumped to all parts of the body during the contraction of the left ventricle. This phase is known as systole. The left ventricle pumps oxygenated blood into the aorta, which then distributes it to the rest of the body.


  10. Which of the following adaptations in herbivores helps in digestion of cellulose?
    1. Longer large intestine
    2. Smaller large intestine
    3. Smaller small intestine
    4. Longer small intestine
    View Answer
    Correct Answer is Option D: Longer small intestine.

    Explanation:

    • Herbivores have adaptations in their digestive systems to help break down cellulose, which is a major component of plant cell walls.
    • One key adaptation is having a longer small intestine. The longer small intestine provides more surface area and time for the breakdown and absorption of nutrients from plant material, including cellulose.


  11. There was a cerebellar dysfunction in a patient. Which of the following activities will get disturbed in this patient as a result of this?
    1. Salivation
    2. Hunger control
    3. Posture and balance
    4. Regulation of blood pressure
    View Answer
    Correct Answer is Option C: Posture and balance.

    Explanation:

    The cerebellum is responsible for coordination, balance, voluntary movements and posture. So the dysfunction of this area will disturb the posture and balance of a patient.


  12. In snails individuals can begin life as male and depending on environmental conditions they can become female as they grow. This is because –
    1. Male snails have dominant genetic makeup.
    2. Female snails have dominant genetic makeup.
    3. Expression of sex chromosomes can change in a snail’s lifetime.
    4. Sex is not genetically determined in snails.
    View Answer
    Correct option is D: Sex is not genetically determined in snails.

    In some of the snail species, sex is determined by environmental factors.
    This type of phenomenon is called sequential hermaphroditism. Because of this, a snail can begin life as male and become female as they grow.


  13. In the following cases, a ray is incident on a concave mirror. In which case is the angle of incidence is equal to zero?
    1. A ray parallel to principal axis
    2. A ray passing through the centre of curvature and incident obliquely
    3. A ray passing through the principal focus and incident obliquely
    4. A ray incident obliquely to the principal axis, at the pole of the mirror
    View Answer
    Correct Answer is (A).
    Explanation: When a ray of light passed through the centre of curvature it reverts back along the same path. Hence, angle of incidence is equal to zero.
    Reason: Centre of curvature acts as the normal for spherical mirror and when the incident ray also falls on the normal i.e. incident ray and normal falls on the same line , making an angle of incidence equal to 𝟎°.

  14. Choose the correct option for the colour of rays for A and Bimg
    View Answer
    Correct Answer is (C).
    Red: Deviates the least (Maximum wavelength)
    Violet: Deviates the most (Minimum wavelength)

  15. Identify the incorrect statement ‘The energy available to the producers is maximum’ because:
    1. It is the first trophic level which absorbs 1% of light energy directly from the source.
    2. It utilizes the most of the chemical energy for its own respiration, growth, reproduction, movement etc.
    3. It utilizes 10% of light energy and transfers the rest to the next trophic level.
    4. It transfers only 10% of light energy to the next trophic level.
    View Answer
    Correct option is C: It utilizes 10% of light energy and transfers the rest to the next trophic level.

    First trophic level that means producers absorbs only 1% of light energy from the sun. Producers transfer only 10% of the energy to the next trophic level. Rest of the energy is utilized in their own life processes. So here only option C seems incorrect.


  16. Which of the following is not a role of decomposers in the ecosystem?
    1. Natural replenishment of soil.
    2. Enrichment of oxygen in atmosphere.
    3. Waste decomposition.
    4. Break-down of dead remains.
    View Answer
    Correct option is B: Enrichment of oxygen in atmosphere.

    Decomposers play a vital role in ecosystems by breaking down dead remains, decomposing waste, and replenishing nutrients in the soil. However, they do not contribute to the enrichment of oxygen in the atmosphere.


  17. Assertion (A): On adding dil. HCl to a test tube containing a substance ‘X’, a colourless gas is produced which gives a pop sound when a burning matchstick is brought near it.
    Reason (R): In this reaction, metal ‘X’ is displaced by Hydrogen.
    1. Both A and R are true, and R is the correct explanation of A.
    2. Both A and R are true, but R is not the correct explanation of A.
    3. A is true, but R is false.
    4. A is false, but R is true.
    View Answer
    Correct option is C: A is true, but R is false.

    As in the process of evolution of Hydrogen Gas, metal which is placed higher in position in the electro-reactivity series displaces Hydrogen from the acid and not the vice versa.


  18. Assertion (A): The number of chromosomes in a cell and in a germ cell is not the same in any species.
    Reason (R): When 2 germ cells combine, they restore the normal number of chromosomes in a species.
    1. Both A and R are true, and R is the correct explanation of A.
    2. Both A and R are true, but R is not the correct explanation of A.
    3. A is true, but R is false.
    4. A is false, but R is true.
    View Answer
    Correct option: Both A and R are true, and R is the correct explanation of A.

    The difference in chromosome number between somatic cells and germ cells is necessary so that when two germ cells combine during reproduction, they restore the diploid number.


  19. Assertion (A): convex mirror always forms an image behind it and the image formed is virtual.
    Reason (R): According to the sign convention, the focal length of the convex mirror is positive.
    1. Both A and R are true, and R is the correct explanation of A.
    2. Both A and R are true, and R is not the correct explanation of A.
    3. A is true but R is false.
    4. A is false but R is true
    View Answer
    Correct Answer is (B).
    A convex mirror always forms an image behind it and the image formed is virtual.
    The virtual image formation is due to the reflection of diverging rays, not because of the sign of the focal length.

  20. Assertion (A): If the lions are removed from a food chain it will not affect the food chain, however, if the plants are removed from a food chain it will disturb the ecosystem.
    Reason (R): Plants are producers who can make food using sunlight, while lions are consumers.
    1. Both A and R are true, and R is the correct explanation of A.
    2. Both A and R are true, but R is not the correct explanation of A.
    3. A is true, but R is false.
    4. A is false, but R is true.
    View Answer
    Correct option: A is false, but R is true.

    Removing lions will create an imbalance in the ecosystem. Lions control the population of herbivores. If lions are removed from a food chain, the population of herbivores will increase a lot. The increased number of herbivores will lead to overgrazing of plants and destabilize the ecosystem. This is true that plants are producers who can make food using sunlight.


  21. Identify the type of each of the following reactions stating the reason for your answers:
    1. Fe2O3 + 2Al → Al2O3 + 2Fe + heat
    2. Pb(NO3)2 + 2KI → PbI2( ↓) + 2KNO3
    img
    View Solution

    Solution:

    (A) In this reaction, a redox reaction is taking place. Iron, being in the -6 oxidation state, changes to 0 state on the product side, and Aluminium changes from 0 state to -6 oxidation state.

    (B) This is a precipitation reaction in which a precipitate of Lead Iodide is formed, which is yellow in colour.


  22. Differentiate between alveoli and nephron on the basis of the following points:
    S. No.FeatureAlveoliNephron
    1Structure and location
    2Function
    View Solution

  23. Attempt either option A or B.

    A. List the steps for the synthesis of glucose by the plants. What special feature is found in desert plants related to this process?

    OR

    B. Explain the role of the following enzymes in the process of digestion of food in humans:

    • Salivary amylase
    • Pepsin
    • Trypsin
    • Lipase
    View Solution for Option A
    View Solution for Option B

  24. The given figure shows the formation of an image by a lens, shown by a thick line.
    Analyse the figure and answer the following questions:img
    1. What is the type of lens used?
    2. What is the nature of the image?
    3. If the image formed is at a distance of 30 cm of the lens and the image is twice the size of the object, then where is the object placed?
    View Answer
    1. Convex lens because When we place any object between the optic center and principal focal length the image is formed on the same side of the object and is virtual, erect and enlarged.
    2. Virtual, erect and enlarged
    3. 𝑣= −30 𝑐𝑚 (object distance is negative according to the sign convention) 𝑚=2 (given) LaTeX equation: magnification calculation with object distance
    img

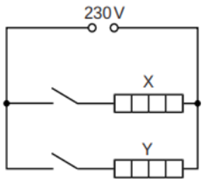
    1. The electric circuit in a clothes dryer contains two heaters X and Y in parallel. The above figure shows a circuit connected to 230 V power supply. When both switches are closed, the current in X is 3.5 A.img
      1. Calculate the power developed in heater X.
      2. If the resistance of X is double and that of Y, calculate the current in heater Y.
    2. The given figure shows two resistors X and Y connected in series to a battery. The power dissipated for this combination is 𝑷1. When these resistors are connected in parallel to the same battery then the power dissipated is given by 𝑷2 . Find out the ratio of 𝑷1 / 𝑷2img

    Analyse the circuit and answer the following questions:
    View Answer
    1. ∵ X and Y are connected in parallel
      ⟹ Voltage remains same
      ∵ P= VI
      =230 x 3.5=805 W
      ∴ Power developed in heater X is 805 W

    2. LaTeX equation: Ohm's law calculation for resistance and current
    imgAns:When the resistances are connected in series: 𝑅𝑒𝑞 = 𝑅+2𝑅

    LaTeX equation: equivalent resistance and power calculationWhen the resistances are connected in Parallel:
    LaTeX equation: equivalent resistance and power ratio calculation

  25. The cartoon below addresses a growing concern:img

    What impact will the process shown in the image have on Humans if they occupy the last trophic level? Explain.

    View Solution

  26. (A) Anirudh took two metal oxides; aluminium oxide and magnesium oxide as shown in the pictures given below. But he forgot to label them. How will you guide/ help Anirudh to identify the oxides and label them?img
    (B) In an activity, Aishu was given two substances; Copper Sulphide (Cu2S) and Copper Oxide (Cu2O) to obtain copper from these compounds. She was able to extract Copper successfully. Illustrate with the help of chemical equations how Aishu might have completed the activity.
    For visually impaired students:

    Give reasons for the following:
    (i) Certain metals are used for making cooking utensils.
    (ii) Hydrogen gas does not evolve when certain metals except Mg & Mn react with nitric acid.

    View Solution

  27. Attempt either option A or B.
    Option A:

    (i) In the given series of reactions, name the compounds X and Z.
    (ii) Which type of reaction is X to Z?
    img(iii) You are given 3 unknown solutions A, B, and C with pH values of 6, 8, and 9.5 respectively. In which solution will the maximum number of hydronium ions be present? Arrange the given samples in the increasing order of H+ ion concentration.

    View Solution for Option A
    Option B:

    Comment on the following statements:
    (i) Bee sting is treated with baking soda paste, whereas wasp sting is treated with dilute vinegar.
    (ii) Farmers treat soil with quicklime when tilling.
    (iii) Ancient sculptures and marble structures are conserved by treating them with certain chemicals.

    View Solution for Option B

  28. Water is used by the leaves of the plants for photosynthesis but rather than watering the leaves, we water the plant through the soil. How does this water reach the leaves of the plant?

    View Solution

  29. In a family of four individuals, the father possessed long ears and the mother possessed short ears. If the parents had pure dominant and recessive traits respectively, then calculate the ratio of genetic makeup of F2 generation. Show a suitable cross.

    View Solution

    1. What is the fundamental difference between hypermetropia and myopia in terms of the optical experience of the person ?
    2. The diagram below shows a special case of an eye defect.
    1. What is the defect that is shown in the figure?
    2. State one cause for such a defect.
    3. Explain with reason if a concave lens is used to correct the defect.
    4. img
    View Answer
    Ans:
    1. Myopia is near- sightedness. In this a person can see the nearby objects but cannot see the distant objects clearly. Whereas hypermetropia is far-sightedness. In tis condition, a person can see the distant objects clearly and the near-by objects are not so clear.
    2. (i) The defect that is shown in the given figure is Hypermetropia.
      (ii) Causes of hypermetropia: (any one)
      1. The focal length of the eye lens becomes too long.
      2. The eye ball has become too small.
    3. No, concave lens is not used to correct hypermetropia. To correct the defect of hypermetropia, convex lens is used because in hypermetropia, the focal length increases and convex lens helps to increase the converging effect and the lens will bring the image back to retina.

  30. Resistance is a property of a conductor that depends on its length and cross-sectional area. Explain the relationship between resistance, length, and cross-sectional area. Also, define resistivity and its unit.

    View Solution

  31. img

    Mona was doing an experiment with a magnetic compass and a straight current-carrying wire. She observed that as she moved the compass away from the current-carrying wire, the deflection of the compass needle reduced. Explain why the deflection of the compass needle reduced as Mona moved the compass away from the current-carrying wire.

    1. Explain why the deflection of the compass needle reduced as Mona moved away the compass needle from the current carrying wire.
    2. Mention one thing that could have changed in the circuit of the wire that could increase the deflection of the needle.
    3. Explain with reason what will be the direction of the magnetic field associated with the wire for the case described by the above figure.
    View Solution

  32. Attempt either option A or B.

    A.

    1. “Keerthi thinks that Substitution reaction occurs in saturated Hydrocarbons, on the contrary Krishi thinks, it occurs in unsaturated Hydrocarbons.” Justify with valid reasoning whose thinking is correct.
    2. “Methane and Propane and their Isomers are used as fuels” Comment. Draw the electron dot structure of the immediate lower homologue of Propane. Give any two characteristics of homologues of a given homologous series.
    3. A mixture of oxygen and ethyne is burnt for welding. Can you predict why a mixture of ethyne and air is not used?
    OR

    B.

    1. ‘A’ & ‘B’ are sodium salts of long-chain carboxylic acid and long-chain Sulphonic acid respectively. Which one of A or B will you prefer as a cleansing agent while using underground water (hand pump water)? Give the reason for your answer.
    2. Elaborate on the process of cleansing action. Illustrate micelle with the help of a labelled diagram.
    3. Write the chemical equation of the preparation of soap from an ester CH3COOCH3. What is the name of this process?
    View Solution for Option A
    View Solution for Option B

  33. Attempt either option A or B.
    1. The image below shows a banana plant that is growing with the help of suckers. These suckers are small plant stem outgrowths that can be separated from the main plant, planted separately, and grow into a new plant subsequently.
    2. img
      1. Give the name and type of reproduction shown in the image above.
      2. List two advantages a farmer has in using the type of reproduction mentioned above.
      3. Explain how this plant will be involved in the process of pollination.
      4. Why is the offspring of this banana plant not absolutely identical to its parent plant?
      OR
    3. The image below shows a developing fetus in the mother's womb. The fetus is connected to the placenta via the umbilical cord, which contains the umbilical vein and artery.
      1. img
      2. Name two substances that move through the blood vessels.
      3. If the placenta has fewer villi, how will it affect the baby's growth?
      4. Name the region where the embryo develops inside the female body. Explain how this region is adapted for nourishing the baby.
      5. Some fetal cells fall into the amniotic fluid and can be collected through careful procedures. If these cells contain the XY chromosome:
        1. What is the sex of the fetus?
        2. How is prenatal sex determination misused?
    View Solution for Option A
    View Solution for Option B

  34. Attempt either option A or B.
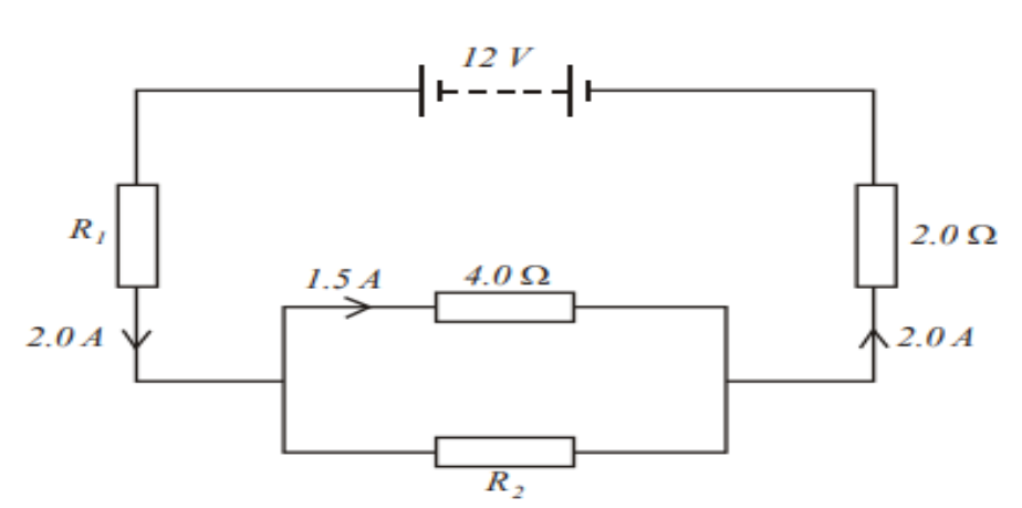
    1. .imgThe above circuit is a part of an electrical device. Use the information given in the question to calculate the following:
      1. Potential Difference across R2.
      2. Value of the resistance R2.
      3. Value of resistance R1.
    2. OR

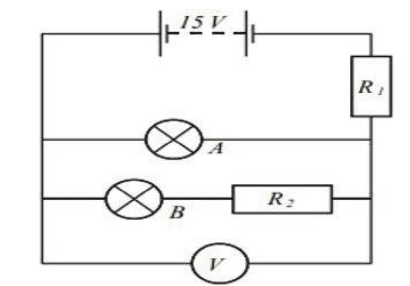
    3. imgAs shown in the figure above, A and B are two lamps. Lamp A is rated at 12 V, 24W. Lamp B is rated at 6.0 V. When lamp B operates at its rated voltage, the current in it is 3.0 A. The values of R1 and R2 are chosen so that both lamps operate at their rated voltages. Based on the information given, answer the following:
      1. Calculate the current in Lamp A.
      2. State and give reason for the reading of the Voltmeter.
      3. Calculate the resistance of R2.
      4. Find the value of the resistance R1.
    View Solution for Option A
    View Solution for Option B

    1. Derive the names of A, Y, Z, M, P & R
    2. imgAttempt either subpart B or C.
    3. Improvise an activity to test Z
    4. OR
    5. Name the process in which compounds X, Y & Z are formed from A. Justify your response.
    View Answer

  35. Mohan and Rohit observed that shoots of a plant growing in shade bend towards the sunlight. Whereas, leaves of the ‘Touch me not’ plant fold and droop soon after touching. They were curious to know how these movements occur in plants. In order to help them understand the movements in the plants, answer the following questions:img
    1. Attempt either subpart A or B.
    2. What causes the bending of shoots in the plants as shown in figure A?
    3. OR
    4. What causes the folding of the leaves in ‘Touch me not’ plant as shown in figure B?
    5. Compare the movement of growth of the pollen tube towards ovule with the movements shown in part A of the above figure.
    6. Compare the movement shown in figure B with the movement of body parts in animals.
    View Answer

  36. .img

    The above image is that of a reflecting telescope. Reflecting telescopes revolutionised our ways of looking into the sky. They employ mirrors to gather and focus light, rather than relying solely on lenses as in their refracting counterparts. These telescopes utilise precisely shaped and polished mirrors to capture incoming light and reflect it to a focal point, where it forms an image for observation.


    (i) What kind of image of a star is seen by the observer at the eyepiece?

    (ii) What kind of mirror is used in this reflecting telescope?

    (iii) Explain with reason what kind of optical device (type of lens or mirror) that is used at the eyepiece.

    (iv) What is the role of the plane mirror in the telescope?

    View Solution